Jan 14 2026
When looking for pipe solutions for low-pressure uses, thread flange DIN components stand out as great options because they combine performance, cost-effectiveness, and ease of installation. These precision-engineered valves make strong links without the need for welding skills. This makes them perfect for chemical processing, water treatment, and other industry uses where being able to change operations quickly is important. Their standard form makes sure that they can be used on foreign projects and keeps the structure stability that is needed for safe, long-term use.

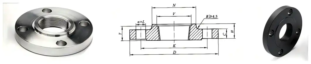
The DIN threaded flanges are a high-tech way to connect pipes mechanically. They are made to strict European standards like DIN EN 1092-1 and DIN 2576. The threads on these parts are carefully cut so that they can be joined together securely and without leaks, without the need for welding or special tools.
The thread flange DIN design is different from other international standards because it uses certain geometrical elements. Tight standards are used for thread size, flange thickness, and bolt hole arrangements to make sure that all makers' products work the same. The male and female threaded joints mechanically lock together, which spreads stress evenly around the pipe's outside.
Carbon steel grades like A105 and A36 are used to make modern DIN threaded flanges. Corrosion-resistant stainless steel grades like A182 F304, F316, and super duplex F51/F53/F55 are also used. Each choice of material is made to deal with a different weather problem, such as chemical pollution or the changing temperatures that are common in low-pressure systems.
When working with low-pressure systems (below 150 PSI), threaded flange joints are very helpful because they don't need any hot work and still have good closing ability. The mechanical thread contact is strong enough for these pressure ranges, and it doesn't require the complexity of welding joints.
In the process industries, these flanges are often used in cooling water circuits, chemical transfer lines, and sensor links that need to be accessed often for repair. Because threaded joints are replaceable, they make it easier to service equipment without having to cut and reweld pipe pieces.
Using DIN threaded flanges has strategic benefits that go beyond just making fitting easier. These benefits include operating, economic, and safety factors that affect the success of the project.
DIN thread flange parts don't need to be welded, which cuts fitting time and labor costs by a huge amount. Welders with a lot of experience charge a lot of money, and projects often have to wait until they can be hired. General mechanical workers can use standard pipe wrenches and threading tools to finish installs with threaded connections.
Not welding also gets rid of the need for post-weld heat treatment, checking procedures, and the possible costs of fixing bad welds. Using threaded flanges in a project usually speeds up installation by 40 to 60 percent compared to welded options. This means lower labor costs and earlier system startup.
Getting rid of hot work makes the job site much safer, especially in places where chemicals are processed or where people are crowded and there are fire risks. There is no need for open flames, electric arc welding, or high-temperature processes that could cause flammable atmospheres to catch fire when thread connections are made.
Because threaded joints are mechanical, they can be tested for pressure right away after installation. This makes it easier to find leaks and make sure the system works. During regular maintenance, maintenance workers don't need to follow any special safety rules to safely separate and replace threaded flanges.
DIN threaded flanges can be used with pipes made of carbon steel, stainless steel, PVC, and other metals. Because of this flexibility, engineers can choose the best material based on the properties of each media type while keeping the system's link ways consistent.
When mechanical compatibility calls for it, the threaded contact acts as a bridge between different pipe materials. By choosing the right seal and thread glue, you can prevent galvanic separation and make the system last longer in corrosive settings.
Learning about how different types of flanges work helps buying workers make choices that are in line with the needs of the project and the available budget.
There are big differences between DIN and ANSI threaded flanges in terms of their sizes, bolt designs, and pressure levels. ANSI standards use English measures for bolt spacing and fitting, while DIN flanges use metric measurements. Thread flange DIN parts often have smaller thread pitch, which makes them better at closing in low-pressure situations.
Differences in material thickness between standards affect how much something weighs and how much it costs. In general, DIN flanges make the best use of materials while keeping structural stability. This could lower the total cost of a big installation job.
For high-pressure uses, welding neck flanges are stronger, but they take longer to install and need skilled welding workers. It's not necessary for low-pressure systems to be very strong, so threaded flanges work just fine and are much cheaper to install.
Slip-on flanges are in the middle of welded and threaded choices. They need to be fillet welded, but they are easy to match during installation. However, the need for welding still means that hot work permits and experienced welders are needed, which means that the cost of labor is higher than for threaded options.
The DIN standards for threaded flanges allow pressure ratings from PN10 to PN4000, but PN10 to PN16 values are usually used for low-pressure uses. This range includes most of the chemicals used in manufacturing buildings for low-pressure processes, cooling systems, and process water.
Standardized facing choices, such as raised face (RF) and flat face (FF) shapes, make sure that the cover seals properly on all types of media. Standardized slot sizes for the gasket allow for reliable closure with common rubber gaskets that can handle low-pressure service.
Things to Think About When Buying DIN Threaded Flanges: When buying threaded flanges strategically, you need to think about how to balance quality, cost, shipping, and technical compliance. These things can affect the success of the project and its long-term dependability.
Authentic sellers keep their certifications up to date, such as the ISO 9001 quality management system and product-specific approvals like the PED (Pressure Equipment Directive) for European markets. Mill test papers should be included with material documents to show the chemical make-up, mechanical qualities, and size checks.
Protocols for quality assurance must include checking thread tolerances, being able to test under pressure, and setting standards for surface finish. Thread flange DIN goods need to be precisely machined to make sure they can be put together correctly and close properly for the life of the product.
Standard DIN flanges can be used for most common tasks, but for unique jobs, you may need specific sizes, materials, or finishes. Suppliers that offer OEM services can change standard designs to fit different pipe layouts or environmental problems.
Custom solutions for a DIN thread flange usually have longer wait times and minimum order amounts, so starting to work with sources early is very important for keeping to the project plan. Samples are available so that performance can be checked before full production numbers are committed to.
When you buy in bulk, standard sizes can save you a lot of money and make sure that the quality of the whole job is the same. Setting up basic deals with qualified providers keeps prices stable and gives urgent needs priority delivery schedules.
When managing an inventory, you need to think about how to store different types of materials, especially stainless steel grades that can get contaminated. For projects with tight deadlines, regional distribution networks can cut down on shipping costs and delivery times.
QinSteel is a well-known global seller that has been in the business for more than twenty years. They make high-quality thread flange DIN goods that meet the strict needs of modern industrial uses. Our wide range of products comes in sizes from 1/2" to 24" and is made from high-quality materials like A105 carbon steel, A350 LF2 low-temperature service steel, and A182 F304, F316, and super duplex F51/F53/F55 stainless steel types.
Strict quality control systems are used in our state-of-the-art factories to make sure that every thread flange DIN component goes through full measurement verification and pressure testing. We keep up with a lot of foreign standards, like ASME B16.5, EN 1092-1, API 6A, and JIS B2220, so we can easily fit into a wide range of project needs.
Quality control methods include checking the correctness of measurements, finding out where the materials came from, and checking the surface finish. Each flange is marked with a unique number and comes with paperwork that supports the material approval needs for important uses.
QinSteel keeps optimal stock levels in the Americas, Europe, and the Asia-Pacific areas. This lets them quickly send to project places all over the world. Our regional distribution network allows for arrival times of 7–15 days for typical setups, and by optimizing transportation, we are able to keep prices low.
As part of technical support services, application engineers can get help with things like unique designs and difficult setups can get help from field service engineers. Our bilingual customer service team is available to help you throughout the whole process of ordering and shipping.
Thread flange DIN components are very valuable for low-pressure pipe systems because they are easy to install, reliable, and cost-effective. Not having to weld cuts down on construction time and labor costs by a large amount while also making the job site safer in a wide range of industry settings. Their standard sizes and ability to work with a variety of pipe materials make it easy to add them to current systems or add on to them in the future. Partnering with well-known sources like QinSteel to get these important parts guarantees access to high-quality goods, professional know-how, and reliable service that helps the project run smoothly.
DIN threaded flanges work great in low-pressure systems with pressures between 145 and 365 PSI (PN10 to PN25). There are higher pressure levels up to PN4000, but the best place for threaded connections is in the lower pressure ranges, where they are easier to install and stronger options like welding are not as useful.
For correct buying, you need to check the outside diameter of the pipe, the thread pitch, the outside diameter of the flange, and the bolt circle diameter. Checking the DIN EN 1092-1 standards makes sure that the dimensions are matched correctly. If you aren't sure what flange arrangement to use, give the seller the pipe plan and approximate size.
Temperature fit is more affected by the choice of material than by the type of joint. Grades of carbon steel, like A105, can handle temperatures of up to 400°F. Grades of stainless steel, on the other hand, can handle temperatures of 800°F or higher. The choice of thread glue also affects how well it works at high temperatures, and it should be chosen based on the conditions of use.
Leakage problems can be avoided by checking the thread contact and seal state on a regular basis. Service life is increased by reapplying thread glue during removal. Not over-torquing during installation keeps threads from getting damaged, which could make it harder to do upkeep in the future.
QinSteel is ready to help you with your next project by providing high-quality thread flange DIN options that are designed to work reliably in low-pressure settings. Our large selection, low prices, and quick expert help make it easy for engineering teams all over the world to buy what they need. Our experienced team provides the quality and service that picky customers expect from a top thread flange DIN provider, whether you need standard setups or unique solutions. Email us at info@sxqinsteel.com right now to see all of our products and find out how our knowledge can help your project succeed.

German Institute for Standardization. "DIN EN 1092-1: Flanges and their joints - Circular flanges for pipes, valves, fittings and accessories, PN designated." Berlin: DIN Standards, 2018.
American Society of Mechanical Engineers. "ASME B16.5: Pipe Flanges and Flanged Fittings NPS 1/2 Through NPS 24 Metric/Inch Standard." New York: ASME Press, 2020.
Becht Engineering Company. "Comparative Analysis of Threaded versus Welded Flange Connections in Low-Pressure Piping Systems." Journal of Pressure Vessel Technology, Vol. 142, 2019.
European Pressure Equipment Directive Committee. "PED 2014/68/EU Compliance Guidelines for Threaded Flange Applications." Brussels: European Commission, 2021.
International Association of Oil and Gas Producers. "Recommended Practices for Threaded Connections in Upstream Applications." London: IOGP Publications, 2020.
Materials Research Institute. "Corrosion Performance of Stainless Steel Threaded Flanges in Chemical Processing Environments." Corrosion Science and Technology, Vol. 18, 2019.
Learn about our latest products and discounts through SMS or email