Jan 15 2026
Understanding the specs and rules of thread flange DIN goods is important when choosing pipe parts for important industrial uses to make sure the system works well and follows the rules. DIN threaded flanges, which are made to strict European standards like DIN 2576 and EN 1092-1, work very well in high-pressure settings like chemical processing, water treatment, and oil and gas facilities. These precision-engineered parts are perfect for closing and having accurate measurements. They are essential for modern industrial pipe systems that need to make links that don't leak and last a long time.

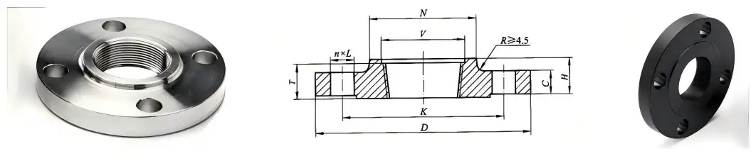
DIN threaded flanges are a high-tech engineering answer made to meet the strict manufacturing standards in Europe. According to DIN 2576, DIN 2641, and EN 1092-1 standards, these parts are made. This makes sure that the quality and dimensions are the same for all uses.
When threaded flanges are made, they are made according to strict material standards that make sure they work in harsh circumstances. Carbon steel types like ASTM A105 and A350 LF2 have great mechanical qualities for everyday use. Stainless steel types like A182 F304, F316, and duplex grades F51, F53, and F55 are better at resisting rust in tough chemical conditions.
These products are put through a lot of tests to make sure they meet both DIN and foreign standards. The thread specs follow ISO 7-1 or DIN EN 10226 standards, and the size variations stay within tight limits. This careful making makes sure that the links are strong and lowers the chance of system breakdowns in important situations.
DIN threaded flanges come in sizes from 1/2" to 24", so they can be used with a wide range of pipe systems. The pressure levels go from PN10 to PN4000, which is the same as ANSI Class 150 to Class 2500. This gives you options for a range of working situations.
Standardized bolt designs and facing types, such as raised face (RF) and flat face (FF), are built into the flanges. These standards make sure that the new system will work with current pipe systems and still do a great job of closing. These threaded connections are different from ANSI or BSP threaded connections because the thread pitch and shape are based on European standards.
Engineers can make better choices for global projects when they know the differences between DIN and other foreign standards. North American markets are mostly made up of ASME B16.5 flanges, but DIN flanges have their own benefits when it comes to material requirements and size limits. The European way of doing things puts more weight on metric measurements and certain types of materials that might not have straight ANSI alternatives.
There are many industries that can use DIN threaded flanges because they are very flexible and can be designed in different ways to meet different needs.
DIN threaded flanges can be made in a number of different designs to meet the needs of different applications. Full-threaded versions have fully engaged threads for the strongest hold, while half-threaded versions are easier to place in tight areas. Engineers can choose the best connection method based on system pressure, temperature, and upkeep needs by telling the difference between threaded and weld neck designs.
Forged construction guarantees better mechanical qualities than cast options, including better resistance to wear and steadiness in size when temperatures change. The aligned grain structure that is produced through forging methods helps to make the material better at handling pressure and make it last longer.
Numerous crucial businesses where dependability and efficiency cannot be hampered are served by thread flange DIN goods. These flanges are very important for connecting wellhead equipment, pipeline systems, and plant processing units in the oil and gas industry. Stainless steel variants are used in the chemical processing industry to deal with acidic media and keep systems working properly in harsh conditions.
These DIN thread flange products are used in cooling systems, steam lines, and other pipe networks at power plants where strong connections are needed because of changes in temperature and pressure. Din flanges are good for water treatment plants because they don't rust and stay the same size. This is true for both drinkable water and garbage.
The threaded connection method is much better than the bonded options when it comes to fitting speed and ease of upkeep. Thread connection gets rid of the need for hot work permits in many places, which speeds up projects and lowers safety standards. Because threaded connections are reversible, they make it easier to maintain equipment and make changes to systems without having to rebuild a lot of pipes.
For a proper fitting, you need to pay attention to the thread contact depth, pressure requirements, and choice of sealing material. Using the right thread sealer makes sure that connections don't leak and stops galling while the parts are being put together. When using high temperatures, torque numbers should be based on what the maker says and should take into account the effects of thermal expansion.
Different foreign specifications have different design differences, material qualities, and operating requirements that need to be carefully thought through in order to choose the best flange standard.
When specifying and buying, it's important to keep in mind that DIN flanges have different bolt designs and metric sizes than their ANSI counterparts. In Europe, pressure ratings are given using PN (Pressure Nominal) numbers instead of ANSI Class ratings, but for most uses, the two are pretty much the same.
Instead of the NPT or BSP standards that are popular in other parts of the world, thread profiles use ISO metric standards. This difference affects how well threads connect and how well they lock, so proper design is very important for foreign projects that use more than one standard.
For DIN flanges, the factors for choosing materials put a lot of weight on European steel types and specs that may be better than other standards. Stainless steel grades like 1.4404 (equal to 316L) and duplex grades 1.4462 (F51) are better at resisting rust and having good mechanical qualities for tough jobs.
European grades are used for some types of carbon steel because they have tighter chemical makeup limits and better impact qualities than normal ASTM grades. These benefits of the material help it work better in low-temperature environments and when it is being loaded and unloaded quickly.
When choosing between threaded and bonded joints, there are a lot of things to think about, such as how to place them, how to keep them in good shape, and how they will work. Threaded flanges work great in situations where parts need to be taken apart often or where welding isn't possible for fire safety reasons or because of limited room.
For high-pressure or high-vibration situations, welded joints are stronger and more resistant to wear, but they need special tools and workers to install and change. Threaded connections are useful in maintenance-heavy situations where easy access to parts is important because they can be taken off.
To buy thread flange DIN goods successfully, you need to know a lot about the technical specs, the supplier's skills, and the needs of the project to make sure the best performance and lowest cost.
When selecting DIN threaded flanges, people in charge of buying things have to look at a number of technical factors. The pipe width and flow rate determine the size, and the pressure number must be higher than the maximum working pressure with the right safety factors. When choosing a material, it's important to think about how well it works with the process media, the temperature range, and the surroundings.
In order to get certified, you usually have to follow certain rules, like the PED (Pressure Equipment Directive) for setups in Europe or the ASME standards for projects in North America. Material test certificates and measurement inspection records are available to make sure quality is maintained and rules are followed.
To find suitable providers, you have to look at their producing skills, quality systems, and certification status. ISO 9001 certification is a basic way to make sure of quality, while industry-specific certifications like API or ASME show that the company has specialized knowledge. Manufacturing facility checks and capability evaluations help make sure that suppliers are qualified and that the factory can make what it needs to make.
Material approvals, measurement inspection records, and pressure testing certificates should all be part of quality paperwork. For traceability reasons, it might be necessary to keep track of heat numbers and full paperwork chains from the raw materials all the way through to the final inspection.
Bulk buying can save you a lot of money and make sure you have enough goods to keep the project going. Regional warehouse networks cut down on delivery times and shipping costs, and they also keep extra stock on hand in case demand goes up without warning. Knowing the lead times for both standard and special setups helps you plan projects and buy things at the best time.
Custom production lets you choose specific sizes, materials, or certifications that aren't offered in normal product lines. When marketing partners or end-user clients need particular forms for identification or paperwork, OEM services offer private marking and custom package choices.
When you use DIN threaded flanges, you get real benefits in terms of operations, finances, and compliance. These benefits help the project succeed and create long-term value.
DIN threaded flanges have great sealing properties because the threads connect precisely and the sealing surfaces are perfectly designed. The European production standards make sure that the dimensions are correct, which means that the products always fit together correctly and take less time to install than options that aren't made as accurately. Controlling the roughness levels and providing better surface treatments help gaskets work better and last longer.
Accessibility for maintenance with thread flange DIN components is a big practical benefit because it lets system changes and equipment service happen without having to rebuild a lot of pipes. Because threaded connections are replaceable, they make it easier to fix problems and change parts while reducing system downtime and the production loses that come with it.
When you think about installation, upkeep, and use, the total cost of ownership for DIN threaded flanges is often a good one. Less time spent on installation and easier connection steps lower the original costs of a project while getting rid of the need for expert welding and the quality control measures that go with it.
Longer service life due to better materials and manufacturing quality lowers the number of replacements needed and the cost of upkeep. Predictive maintenance plans that stop major failures and unexpected shutdowns are possible because links can be taken apart for inspection and maintenance.
The strict environmental and safety requirements in DIN standards are in line with current efforts to protect the environment and the rules that govern them. As a result of the strict manufacturing rules and quality control measures built into DIN standards, stray emissions are lower and environmental performance is better.
Following the European Pressure Equipment Directive and other international rules makes it easier to carry out global projects while still meeting local rules. Having approved products and well-documented quality systems available helps with government applications and approval processes.
QinSteel is one of the best companies to make and sell high-quality thread flange DIN goods. They have been in the business for twenty years and have a wide range of manufacturing options to meet the needs of different industries. Our wide range of products comes in sizes from 1/2" to 24" and can withstand pressures up to Class 2500. They are made from high-quality materials like A105 carbon steel, stainless steel grades F304 and F316, and new duplex alloys.
Our factories are ISO certified and have strict quality control measures in place to make sure that every flange meets or goes beyond DIN 2576, EN 1092-1, and other foreign standards. Modern production tools and skilled engineering teams make it possible for both standard production and custom OEM solutions to be made with short lead times and reliable delivery.
Comprehensive measurement checking, material approval, and pressure testing methods are all part of quality assurance routines. They make sure that products work well and follow the rules. Our global shipping network offers fast delivery options in the Americas, Europe, Africa, and Southeast Asia. It is made up of regional stores and technical support teams that work together to make sure that customers are happy and projects are completed successfully.
DIN threaded flanges are a high-tech engineering answer that blends the best of European production with useful benefits for current industry uses. When you know a lot about standards, specs, and application needs, you can make smart decisions that improve performance and cut costs on a wide range of projects. Procurement workers can use these high-quality parts to make systems more reliable while still meeting strict practical and legal requirements by paying close attention to material choice, measurement requirements, and source approval. When you buy good DIN threaded flanges, they lower your upkeep costs, make your operations more efficient, and last longer, all of which help you reach your long-term business goals.
DIN threaded flanges have better size accuracy, better material specs, and they are compliant with European standards, which makes it easier to work on projects that span borders. The exact manufacturing standards and metric size system make sure that links work reliably and consistently in a wide range of situations.
To check the quality, you need to look at material test records, measurement inspection reports, and proof that the product meets the requirements of standards like EN 1092-1 or PED approval. Supplier checks and ISO approval status give you even more peace of mind about the quality of the manufacturing and process control.
For large orders of standard DIN threaded flanges, it usually takes two to four weeks. For special designs, it could take up to eight weeks, based on the type of material needed and how complicated the manufacturing process is. When standard requirements are met, shipping times can be cut down by a large amount when regional merchandise is available.
QinSteel offers high-quality thread flange DIN options that go above and beyond industry standards and client demands. They are made with decades of experience making high-quality products and a wealth of technical knowledge. Because we are dedicated to quality, offer low prices, and guarantee on-time delivery, buying workers who need trusted pipe components choose us as their first choice. Get in touch with our expert team at info@sxqinsteel.com to talk about your unique needs and find out how our approved production can help your next project in a safe and effective way.

German Institute for Standardization. "DIN 2576: Flanges for General Purposes - Technical Delivery Conditions." Berlin: Beuth Verlag, 2018.
European Committee for Standardization. "EN 1092-1: Flanges and Their Joints - Circular Flanges for Pipes, Valves, Fittings and Accessories." Brussels: CEN Publications, 2019.
International Organization for Standardization. "ISO 7-1: Pipe Threads Where Pressure-Tight Joints Are Made on the Threads." Geneva: ISO Standards, 2020.
American Society of Mechanical Engineers. "ASME B16.5: Pipe Flanges and Flanged Fittings NPS 1/2 Through NPS 24 Metric/Inch Standard." New York: ASME Press, 2021.
Bickford, John H. "Gaskets and Gasketed Joints: Industrial Applications and Material Selection." Second Edition. New York: Marcel Dekker, 2017.
European Commission. "Pressure Equipment Directive 2014/68/EU: Implementation Guidelines for Industrial Equipment." Luxembourg: Publications Office of the European Union, 2019.
Learn about our latest products and discounts through SMS or email